Đặc trưng của máy tiện CNC chính xác cao XKNC - Kitamura hai trục chính và hai đài dao TTX42-DB

Máy phay tiện kết hợp được thiết kế với 2 trục chính và 2 đài dao phá vỡ thiết kế cấu trúc máy công cụ truyền thống. Bên cạnh việc đáp ứng các chức năng kết hợp tiện và phay truyền thống như tiện, phay, khoan và ren, máy cũng có thể thực hiện tiện lệch tâm và làm phong phú thêm các chức năng gia công của máy công cụ. Hệ thống điều khiển FANUC thế hệ mới có thể thực hiện gia công đồng thời hai trục chính và cải thiện hiệu quả gia công. Các trục chính và trục phụ áp dụng cùng thông số kỹ thuật về cấu trúc trục chính có động cơ servo, phù hợp hơn với nhu cầu gia công các sản phẩm phức tạp.
Những ưu điểm của máy tiện CNC chính xác cao XKNC - Kitamura hai trục chính và hai đài dao TTX42-DB
Thiết kế cấu trúc hợp lý hơn
Sắp xếp quy trình gia công khoa học hơn
Hệ thống điều khiển tiên tiến hơn
Thiết bị tải và dỡ tự động tuyệt vời hơn
Cải thiện năng suất
Thiết kế cấu trúc máy tiện hợp lý
Đặc điểm cấu tạo của máy tiện CNC chính xác cao XKNC - Kitamura hai trục chính và hai đài dao TTX42-DB
1. Cấu trúc bệ máy ổn định

Cấu trúc tổng thể của TTX42-DB là thiết kế trục chính kép đối diện, có thể hoàn thành việc tiện và phay các phôi gia công theo hai trình tự trong một lần kẹp, đồng thời cải thiện độ chính xác và hiệu quả
2. Tiến dao nhanh

Trục X, Z, B sử dụng thanh dẫn hướng tuyến tính con lăn có độ cứng cao
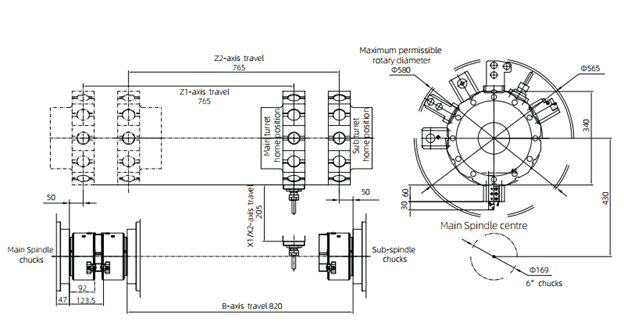
Hành trình trục X1, X2: 205mm, tốc độ di chuyển: 25mm/phút
Hành trình trục Z1, Z2: 765mm, tốc độ di chuyển: 30mm/phút
Hành trình trục B: 820mm, tốc độ di chuyển: 15mm/phút
3. Đài dao servo BMT 12 trạm

Bố cục gia công theo chiều dọc giúp rút ngắn khoảng cách giữa người, trục chính và đài dao, giúp việc thay đổi và cài đặt dao cụ trở nên thuận tiện, hiệu quả.

Đài dao BMT 12 trạm được điều khiển bởi cùng một dịch vụ, định vị bằng đĩa bánh rang và được khóa thủy lực. Tốc độ thay đổi nhanh, độ cứng cao, độ chính xác định vị lặp lại cao, cấu trúc đơn giản và dễ bảo trì.
4. Cấu trúc trục chính XKNC cổ điển

Trục chính và trục phụ là trục chính điện, tránh bị rung do truyền động cơ học và cải thiện độ tròn, độ chính xác của bề mặt được gia công.


Đường kính lỗ xuyên trục chính và trục phụ: Ф42mm
Tốc độ tối đa của trục chính và trục phụ: 6000 vòng/phút
Đường kính quay của trục chính và trục phụ: Ф120mm
5. Hệ thống điều khiển tiên tiến

Cấu hình bộ điều khiển FANUC 0i-TF PLUS
1. Đạt được tốc độ cao, xử lý chất lượng cao với các chức năng điều khiển mạnh;
2. Sử dụng dễ dàng, chức năng CNC phong phú và khả năng vận hành tốt hơn;
3. Hiệu suất vận hành cao: Sử dụng phần cứng đáng tin cậy để đảm bảo ứng dụng ổn định trong môi trường khắc nghiệt; chức năng chẩn đoán và bảo trì mạnh để tạo điều kiện xác định vị trí lỗi, rút ngắn thời gian sửa chữa và nâng cao hiệu quả;
6. Cấu hình phong phú và đa dạng

Làm mát bằng nước cho đế dao - tiêu chuẩn (1,5MPa), tùy chọn (7Mpa)

Thước đo lưới trục X1, X2, độ chính xác 0,05um (tiêu chuẩn)
Thước đo lưới trục Z1, 22, độ chính xác 0,05um (tùy chọn)

Bộ thu sương dầu

Thiết bị lò xo vật liệu phụ trục (tùy chọn)
Thiết bị tiếp nhận vật liệu (tùy chọn)
Thông số kỹ thuật của máy tiện CNC chính xác cao XKNC - Kitamura hai trục chính và hai đài dao TTX42-DB
| Thông số kỹ thuật | TTX42DB | |
| Trục chính | Mâm cặp | 6 inch |
| Công suất động cơ | 7.5/9 KW | |
| Tốc độ tối đa | 6000v/p | |
| Trục phụ | Mâm cặp | 6 inches |
| Công suất động cơ | 7.5/9 KW | |
| Tốc độ tối đa | 6000v/p | |
| Khả năng gia công | Đường kính lỗ xuyên | 42mm |
| Chiều dài gia công lớn nhất | 250mm | |
| Thông số tiến dao | Hành trình trục X1 | 205mm |
| Hành trình trục X2 | 205mm | |
| Hành trình trục Z1 | 765mm | |
| Hành trình trục Z2 | 765mm | |
| Hành trình trục B | 820mm | |
| Hành trình nhanh trục X1/X2 | 25m/p | |
| Hành trình nhanh trục Z1/Z2 | 30m/p | |
| Khoảng cách lớn nhất giữa trục chính và trục phụ | 1030mm | |
| Hành trình nhanh trục B | 15m/p | |
| Đài dao | Thông số đài dao | 2x12 cái |
| Giá dao hình vuông | 20mm | |
| Giá dao hình tròn | 25mm | |
| Collet dao điều khiển | ER20 (13mm) | |
| Tốc độ dao điều khiển | 5000v/p | |
| Công suất dao điều khiển | 2.2KW | |
| Công suất điện | 35KVA | |
Thông số kỹ thuật bộ điều khiển CNC của máy tiện CNC chính xác cao XKNC - Kitamura hai trục chính và hai đài dao TTX42-DB
| Thông số kỹ thuật bộ điều khiển CNC | TTX42-DB | |
| Hệ thống điểu khiển | FANUC 0i TF plus | |
| Trục điều khiển | 3 trục đồng thời | |
| Kiểu đầu vào | Đầu vào bàn phím MDI, Mã tuyệt đối/tăng dần | |
| Dung lượng bộ nhớ | 2 Mbyte | |
| Nội suy | Đường thẳng, tròn, tọa độ cực, hình trụ | |
| Phát hiện nhỏ nhất | 0.0001mm | |
| Lượng tăng đầu vào nhỏ nhất | Trục X | 0.0005mm |
| Trục Z | 0.001mm | |
| Trục B | 0.001mm | |
| Trục Cs | 0.001° | |
| Lượng bù dao cụ | Bù hình dạng | ±9999.9999mm |
| Bù hao mòn | ±9.9999mm | |
| Số lượng bù dao cụ | 64 bộ | |
| Tốc độ di chuyển bằng tay | 0.1/0.01/0.001/0.0001mm | |
| Chức năng phụ trợ | M2, S4, T4 | |
| Tốc độ tiến dao | 0~150% | |
| Tốc độ tiến dao nhanh | F0, F25, F50, F100% | |
| Dao diện truyền dữ liệu | CF/Ethernet/USB | |
| Ngôn ngữ hiển thị | Tiếng Trung (15 tùy chọn) | |
Sơ đồ máy tiện CNC chính xác cao XKNC - Kitamura hai trục chính và hai đài dao TTX42-DB

Kích thước máy tiện CNC chính xác cao XKNC - Kitamura hai trục chính và hai đài dao TTX42-DB

Để mua hàng hay biết thêm thông tin vui lòng liên hệ: 0836.029.594
