Tính năng nổi bật của máy taro tự động kiểu răng dòng HD-AT và HT1-203, HT2-223 và HT3-231
Máy taro tự động kiểu răng dòng HD-AT12
Máy taro tự động kiểu răng dòng HD-AT và HT1-203, HT2-223 và HT3-231 được sản xuất với những ưu điểm sau:
1. Máy taro tự động kiểu răng do Yi Chang sản xuất có bằng sáng chế tại Đài Loan và Trung Quốc.
2. Máy được điều khiển bằng bộ bánh răng để thiết lập chính xác độ sâu của taro.
3. Thiết kế bánh răng chuyển tiếp đặc biệt để thay đổi nhanh các cài đặt bước răng.
4. Để tăng sản lượng, dây đai trục chính được thiết kế có trọng lượng nhẹ để giảm đáng kể nhiệt do động cơ quay.
5. Cấu trúc máy được gia cố để thực hiện taro chính xác và giảm hư hỏng cho vít me.
6. Dễ vận hành và bảo dưỡng máy.
7. Chất lượng sản xuất tại Đài Loan.
Thông số kỹ thuật của máy taro tự động kiểu răng dòng HD-AT và HT1-203, HT2-223 và HT3-231
| Thông số kỹ thuật | HD-AT12 | HD-AT19 | HT1-203 | HT2-223 | HT3-231 | |
| Hành trình | Tự động | Tự động | Tự động | Tự động | Tự động | |
| Kiểu trục chính | Côn | MT2 | MT3 | X | MT2 | MT3 |
| Đầu kẹp | JT6 | JT6 | JT2 | JT6 | JT6 | |
| Khả năng khoan Thép (S45C) | 3-13 | 5-20 | 2-8 | 5-16 | 10-32 | |
| Hành trình trục chính (mm) | 93 | 133 | 45 | 65 | 65 | |
| Động cơ | 1HP-4P | 2HP-6P | 1/2HP-4P | 1HP-6P | 2HP-6P | |
| Tốc độ trục chính | 50HZ | 256-1278 (8) | 166-829 (6) | 420-1340 (3) | 155-515 (3) | 50-200 (3) |
| 60HZ | 308-1534 (8) | 200-995 (6) | 500-1600 (3) | 190-620 (3) | 60-240 (3) | |
| Trọng lượng (kg) | 112 | 234 | 97 | 200 | 250 | |
Một số đặc điểm của máy taro tự động kiểu răng dòng HD-AT và HT1-203, HT2-223 và HT3-231

1.Trục chính
Vật liệu FCD
Được mài chính xác và chịu tải nặng
Hệ thống vòng bi
2. Hộp số
Bánh răng gia công chính xác
Được làm bằng thép đã xử lý nhiệt
3. Bàn và cột máy
Vật liệu bằng gang đúc đặc biệt
Được mài chính xác
Dung sai tốt và tải cao
4. Thân máy
100% sản xuất cho mục đích công nghiệp
Cấu trúc thân máy khỏe, chịu lực tốt
Thiết kế bằng phân tích phần tử hữu hạn (FEA)
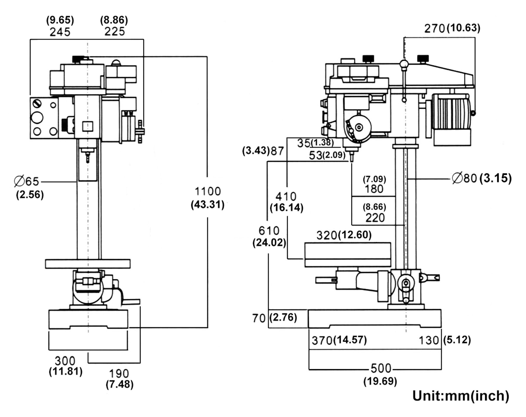
Bản vẽ kích thước máy taro tự động kiểu răng dòng HD-AT12

Bản vẽ kích thước máy taro tự động kiểu răng dòng HD-AT19

Bản vẽ kích thước máy taro tự động kiểu răng dòng HT1-203

Bản vẽ kích thước máy taro tự động kiểu răng dòng HT2-223

Bản vẽ kích thước máy taro tự động kiểu răng dòng HT3-231

Vui lòng liên hệ với chúng tôi qua số điện thoại công ty để được tư vấn và nhận báo giá tốt nhất
Hotline: 094 896 6655 hoặc email: attjsc@machinetools.com.vn
Chúng tôi cam kết cung cấp giải pháp hàng đầu, hỗ trợ nhiệt tình, chất lượng máy đảm bảo và giá cả cạnh tranh, cùng đội ngũ kỹ thuật chuyên nghiệp, bảo dưỡng bảo trì sẵn sàng 24/7, cam kết cung cấp cho khách hàng giải pháp đầu tư hiệu quả và uy tín nhất.



