Tính năng nổi bật của bộ khoan nhiều mũi Multiple spindle head dòng T, QU và QNU, D và NA series
Bộ khoan nhiều mũi Multiple spindle head dòng T, D và NA
Bộ khoan nhiều mũi Multiple spindle head dòng T, D và NA được sản xuất với những ưu điểm sau:
1. Có sẵn loại tùy chỉnh.
2. Chất lượng sản xuất tại Đài Loan.
Bộ khoan nhiều mũi Multiple spindle head dòng QU và QNU có những ưu điểm sau:
1. Dòng được sử dụng nhiều nhất trên thị trường, là công ty duy nhất sản xuất loại này với khớp nối vạn năng do Nhật Bản sản xuất.
2. Có sẵn loại tùy chỉnh.
3. Chất lượng sản xuất tại Đài Loan.
Thông số kỹ thuật của bộ khoan nhiều mũi Multiple spindle head dòng T, QU và QNU, D và NA series
Thông số kỹ thuật của bộ khoan nhiều mũi Multiple spindle head dòng T
| Kích thước /Loại | T70 | T72 | T90 | T106 | T108 | T121 | T125 | T145 | T150 | T214 | T226 | T250 | T359 | T362 | |
| Bước trục chính lớn nhất (mm) | 70 | 72 | 90 | 108 | 108 | 121 | 125 | 146 | 151 | 214 | 226 | 250 | 359 | 362 | |
| Bước trục chính nhỏ nhất (mm) | 10 | 12.7 | 15 | 18 | 18 | 24 | 29 | 29 | 24 | 45.5 | 33.5 | 60 | 56 | 56 | |
| Khả năng khoan lớn nhất | Khả năng khoan (mm) | 3 | 4 | 5 | 6 | 6 | 8 | 8 | 10 | 8 | 12 | 10 | 16 | 10 | 12 |
| Khả năng taro | M3 | M4 | M5 | M6 | M6 | M7 | M7 | M9 | M7 | M12 | M10 | M15 | M10 | M12 | |
| Tỷ lệ tốc độ quay với trục chính | 1:01 | 1:01 | 1:01 | 1:01 | 1:01 | 1:01 | 1:01 | 1:01 | 1:01 | 1:01 | 1:01 | 1:01 | 1:01 | 1:01 | |
| Số lượng trục chính | 2 | 2 | 2 | 2 | 2 | 2 | 2 | 2 | 2 | 2 | 2 | 2 | 2 | 2 | |
| Loại ổ trục hỗ trợ (B=Ball Bearing, C=Copper) | C | C | C | B | C | C | B | B | B | B | B | B | B | B | |
Thông số kỹ thuật của bộ khoan nhiều mũi Multiple spindle head dòng QU và QNU
| Kích thước /Loại | QNU165 | QU165 | QU200 | QU250 | QU300 | |
| Trục chính PCD lớn nhất (mm) | 165 | 165 | 200 | 250 | 300 | |
| Bước trục chính tối thiểu cho 2 trục chính (mm) | 12.7 | C6= 18.7 | C6= 18.7 | C6= 18.7 | C6= 18.7 | |
| 12.7 | C9= 29 | C9= 29 | C9= 29 | C9= 29 | ||
| Khả năng khoan lớn nhất | Khả năng khoan (mm) | 4.5 | C6= 6.0 | C6= 6.0 | C6= 6.0 | C6= 6.0 |
| 4.5 | C9= 8.0 | C9= 8.0 | C9= 8.0 | C9= 8.0 | ||
| Khả năng taro | M4 | C6= M6 | C6= M6 | C6= M6 | C6= M6 | |
| M4 | C9= M10 | C9= M10 | C9= M10 | C9= M10 | ||
| Tỷ lệ tốc độ quay với trục chính | 1:1 | 1:1 | 1:1 | 1:1 | 1:1 | |
| Số lượng trục chính | 2-8 | 2-8 | 2-10 | 2-12 | 2-12 | |
Thông số kỹ thuật của bộ khoan nhiều mũi Multiple spindle head dòng D
| Kích thước /Loại | D170 | D175 | D192 | D198 | D227 | D240 | D340 | D390 | |
| Trục chính PCD lớn nhất (mm) | 170 | 170 | 177 | 198 | 227 | 240 | 342 | 390 | |
| Trục chính PCD nhỏ nhất (mm) | 38 | 43 | 52 | 61 | 98 | 85 | 208 | 245 | |
| Bước trục chính tối thiểu cho 2 trục chính (mm) | 38 | 38 | 38 | 43 | 37 | 56 | 56 | 56 | |
| Khả năng khoan lớn nhất | Khả năng khoan (mm) | 13 | 13 | 6.5 | 10 | 6.5 | 13 | 13 | 13 |
| Khả năng taro | M10 | M10 | M8 | M10 | M8 | M10 | M10 | M10 | |
| Tỷ lệ tốc độ quay với trục chính | 1:2.7 | 1:2.7 | 1:3 | 1:2.9 | 1:5.1 | 1:3.3 | 1:3.3 | 1:3.3 | |
| Số lượng trục chính | 2 | 3 | 4 | 4 | 6 | 4 | 4 | 4 | |
Thông số kỹ thuật của bộ khoan nhiều mũi Multiple spindle head dòng NA
| Kích thước /Loại | NA100 | NA124 | |
| Trục chính PCD lớn nhất (mm) | 100 | 125 | |
| Trục chính PCD nhỏ nhất (mm) | 25 (4 trục) | 38 (4 trục) | |
| Bước trục chính tối thiểu cho 2 trục chính (mm) | 18.7 | 27 | |
| Khả năng khoan lớn nhất | Khả năng khoan | 8 | 13 |
| Khả năng taro | M8 | M10 | |
| Tỷ lệ tốc độ quay với trục chính | 1:1 hoặc 1:1.3 | 1:1 hoặc 1:1.3 | |
| Số lượng trục chính | 2-4 | 2-4 | |
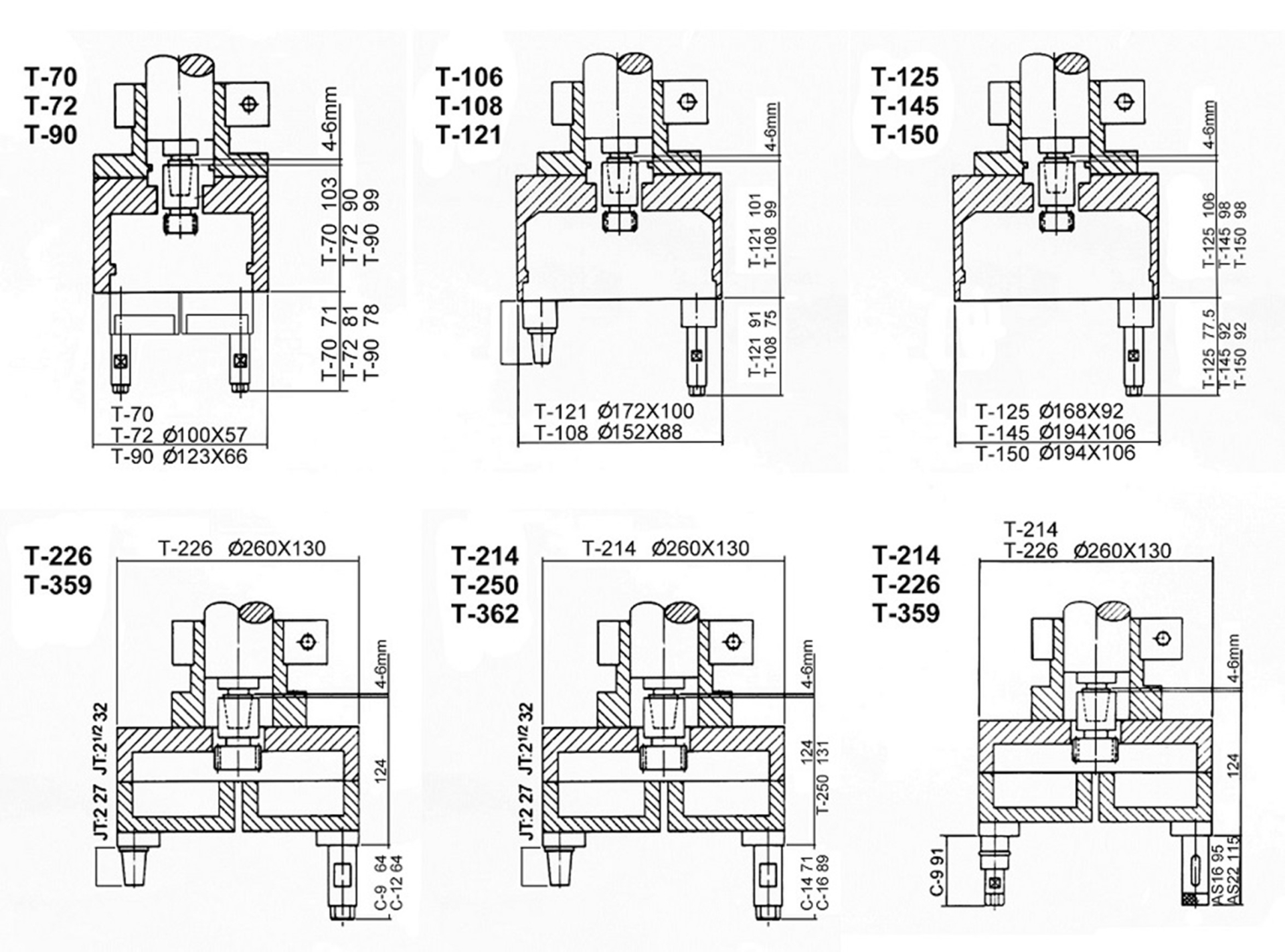
Bản vẽ kích thước bộ khoan nhiều mũi Multiple spindle head dòng T

Bản vẽ kích thước bộ khoan nhiều mũi Multiple spindle head dòng QU và QNU

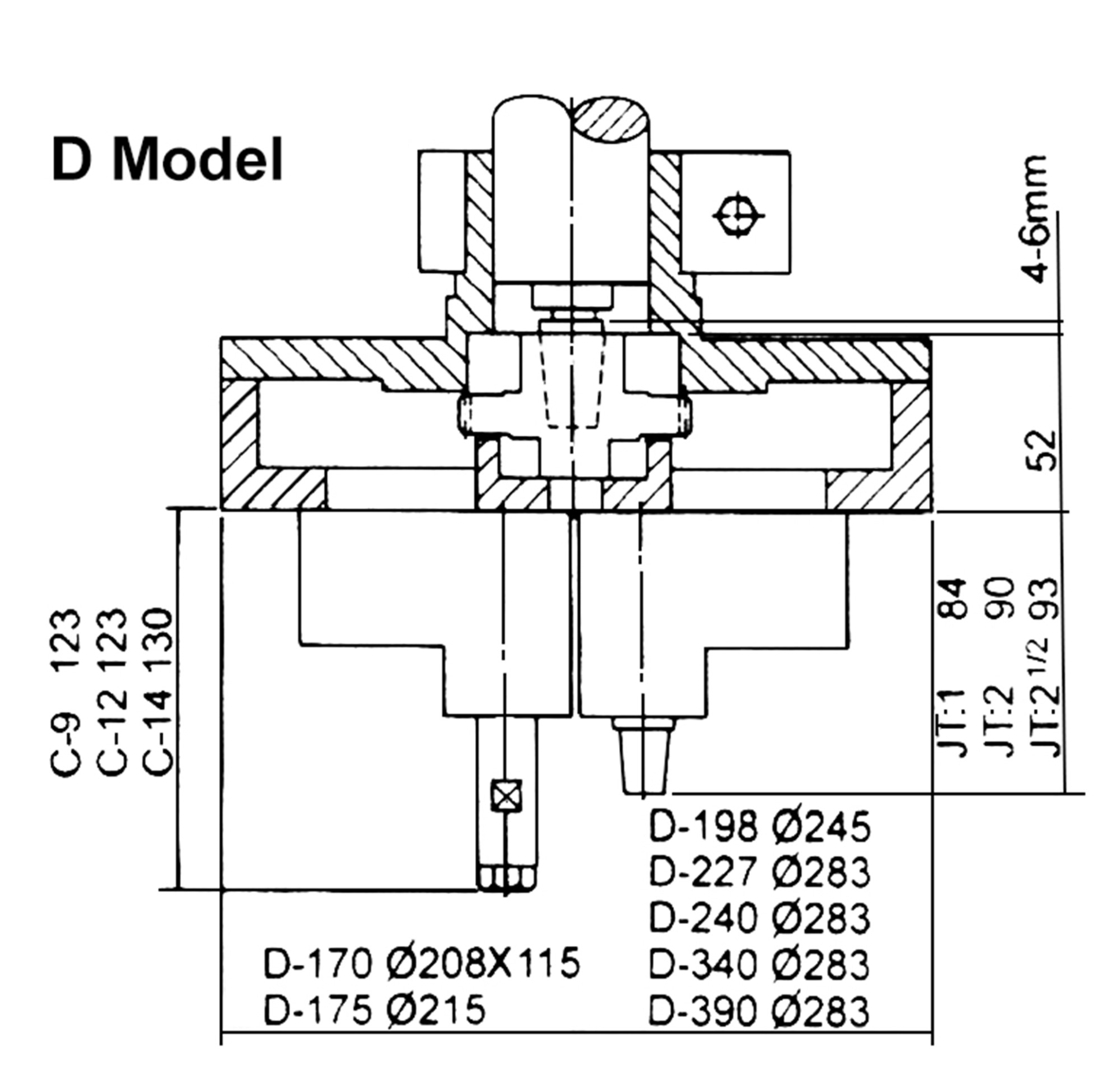
Bản vẽ kích thước bộ khoan nhiều mũi Multiple spindle head dòng D

Bản vẽ kích thước bộ khoan nhiều mũi Multiple spindle head dòng NA



Vui lòng liên hệ với chúng tôi qua số điện thoại công ty để được tư vấn và nhận báo giá tốt nhất
Hotline: 094 896 6655 hoặc email: attjsc@machinetools.com.vn
Chúng tôi cam kết cung cấp giải pháp hàng đầu, hỗ trợ nhiệt tình, chất lượng máy đảm bảo và giá cả cạnh tranh, cùng đội ngũ kỹ thuật chuyên nghiệp, bảo dưỡng bảo trì sẵn sàng 24/7, cam kết cung cấp cho khách hàng giải pháp đầu tư hiệu quả và uy tín nhất.




